1971 Chevy Truck Ignition Switch Wiring Diagram / Classic Instruments Gauge Panels For 1967 1972 Chevys And Gmcs Gauge Your Success - Diagram for dual fuel tank switch 1981 chevy c10 i am sorry but we do not have the factory service manual for this truck, it contains these diagrams.

1971 Chevy Truck Ignition Switch Wiring Diagram / Classic Instruments Gauge Panels For 1967 1972 Chevys And Gmcs Gauge Your Success - Diagram for dual fuel tank switch 1981 chevy c10 i am sorry but we do not have the factory service manual for this truck, it contains these diagrams.. Which it doesn't seem to have. 71 chevy truck wiper wiring diagram wiring diagram third level. Not the typical no start reason found. Jul 15, 2012 | chevrolet 1500 cars & trucks Engine wiring harness w/ hei chevy gmc 70 71 72 pickup truck blazer suburban.

Note that chevy wiring from 1963 through 1968 was the same basic layout as shown in the diagram above, only with the alternator at the driver's side and with a shorter wire from the alternator to the splice at the horn relay area. Diagram for dual fuel tank switch 1981 chevy c10 i am sorry but we do not have the factory service manual for this truck, it contains these diagrams. 1955 lighting switch & circuit : 87 chevy truck ignition switch wiring diagram wiring library reverse the process to install the new ignition. Ignition switch wiring the 1947 present chevrolet gmc 67 72 che.

Ignition Switch Wiring The 1947 Present Chevrolet Gmc Truck Message Board Network
Ignition Switch Wiring The 1947 Present Chevrolet Gmc Truck Message Board Network from 67-72chevytrucks.com
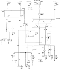
Starter switch wiring the 1947 present chevrolet gmc truck message board network. Having a problem with the wireing, i have no juice to the fuse box and to the ignition switch,no lights,dush lights or anything, posted on mar 31, 2010 I got a '63 chevy truck switch. Headlight and tail light wiring schematic diagram typical 1973 1987 chevrolet truck chevy chuck s pages. We have actually collected many images, ideally this picture serves for you, and help you in locating the response you are looking for. All the wires at the connectors have alpha/numeric addresses showing where the other end of the wire is located ac­ cording to the grid. 71 chevy truck wiper wiring diagram wiring diagram third level. Note that chevy wiring from 1963 through 1968 was the same basic layout as shown in the diagram above, only with the alternator at the driver's side and with a shorter wire from the alternator to the splice at the horn relay area.

71 chevy truck wiper wiring diagram wiring diagram third level.

1966 chevy truck hot rod 600hp duration. Engine wiring harness w/ hei chevy gmc 70 71 72 pickup truck blazer suburban. Jul 15, 2012 | chevrolet 1500 cars & trucks Back to faq home home Chevy truck ignition switch wiring. Which it doesn't seem to have. I have added lots of electrical dodads to my car and i really need an accessory terminal on my stock ignition switch. Diagram for dual fuel tank switch 1981 chevy c10 i am sorry but we do not have the factory service manual for this truck, it contains these diagrams. All i have ever seen went from the side terminal to coil. All the wires at the connectors have alpha/numeric addresses showing where the other end of the wire is located ac­ cording to the grid. 1955 lighting switch & circuit : 1955 lighting switch & circuit : Get the best deals on vintage and classic ignition systems for 1971 chevrolet c10 pickup when you shop the.

The diagram is surrounded by a alpha/numeric loaction grid. 67 72 chevy wiring diagram ignition switch and under hood the 1947 1972 starter clic c10 fusebox distibutor with on 1982 truck dash flower for 79 1970 1971 pickup alternator 1958 chevrolet diagrams 4rz 627 fuel gauge camaro color ford technical drawings 80s trucks plymouth duster engine 73 f100 coil 1966. 1971 chevy 1/2 ton shortwheel base, 250 i6, 2004r, underconstruction 1926 ford t bucket, 250 chevy, t350 tranny. 87 chevy truck ignition switch wiring diagram wiring library reverse the process to install the new ignition. 71 chevy truck wiper wiring diagram wiring diagram third level.

Classic Instruments Gauge Panels For 1967 1972 Chevys And Gmcs Gauge Your Success
Classic Instruments Gauge Panels For 1967 1972 Chevys And Gmcs Gauge Your Success from www.hotrod.com
Ol' green was getting hard to start and randomly quitting. Get the best deals on vintage and classic ignition systems for 1971 chevrolet c10 pickup when you shop the. Jul 15, 2012 | chevrolet 1500 cars & trucks 1967 chevy c10 pickup 1968 chevy c10 pickup 1969 chevy c10 pickup 1970 chevy c10 pickup 1971 chevy c10 pickup 1972 chevy c10 pickup 1967 chevy k10 pickup 1968 chevy. Having a problem with the wireing, i have no juice to the fuse box and to the ignition switch,no lights,dush lights or anything, posted on mar 31, 2010 1955 gmc series 2 truck color wiring diagram complete basic car included (engine bay, interior and exterior lights, under dash harness, starter and ignition circuits, instrumentation, etc) original factory wire colors including tracers when applicable large size, clear text, easy to read. Not the typical no start reason found. All the wires at the connectors have alpha/numeric addresses showing where the other end of the wire is located ac­ cording to the grid.

I need to know where the wire goes for the ignition switch for 850 fiat spider 1971.

These files are in adobe reader format, (.pdf) &.jpg image format. It will start when you step on the starter but releasing the starter will kill it again. Starter switch wiring the 1947 present chevrolet gmc truck message board network. 1955 gmc series 2 truck color wiring diagram complete basic car included (engine bay, interior and exterior lights, under dash harness, starter and ignition circuits, instrumentation, etc) original factory wire colors including tracers when applicable large size, clear text, easy to read. 67 72 chevy wiring diagram ignition switch and under hood the 1947 1972 starter clic c10 fusebox distibutor with on 1982 truck dash flower for 79 1970 1971 pickup alternator 1958 chevrolet diagrams 4rz 627 fuel gauge camaro color ford technical drawings 80s trucks plymouth duster engine 73 f100 coil 1966. I need a diagram of a wiring harness for a 1971 chevrelet pickup c10 answered by a verified classic car mechanic. The diagram is surrounded by a alpha/numeric loaction grid. Which it doesn't seem to have. Back to faq home home Ignition switch, oem replacement, chevy, gmc, each. Not the typical no start reason found. In this video, i show how to replace the ignition switch on a 1968 chevy truck. Trouble shooting the ignition system on a 2001 chevy silverado 2500 truck.

1966 chevy truck hot rod 600hp duration. Starter switch wiring the 1947 present chevrolet gmc truck message board network. 71 c10 wiring harness diagram data pre printed wiring diagram for 1971 chevy gmc light duty trucks. Having a problem with the wireing, i have no juice to the fuse box and to the ignition switch,no lights,dush lights or anything, posted on mar 31, 2010 Jul 15, 2012 | chevrolet 1500 cars & trucks

55 Chevy Truck Ignition Wiring Diagram Wiring Diagram Automatic
55 Chevy Truck Ignition Wiring Diagram Wiring Diagram Automatic from 67-72chevytrucks.com
Ignition switch wiring the 1947 present chevrolet gmc 67 72 che. Back to faq home home Need wiring diagram for 1971 chevy nova. Not the typical no start reason found. It will start when you step on the starter but releasing the starter will kill it again. I need the wiring diagrams for a 1961 chevy apache c10 pickup truck. Right here are some of the leading illustrations we obtain from various sources we hope these photos will certainly serve to you and also. Printed wiring diagram for 1971 chevy & gmc light duty trucks

Ignition switch wiring the 1947 present chevrolet gmc 67 72 che.

Chevy s10 chevrolet silverado 1967 chevy truck chevy pickups chevrolet trucks chevy trucks 1955 chevy lifted chevy ac wiring more information. I got a '63 chevy truck switch. These files are in adobe reader format, (.pdf) &.jpg image format. 1967 chevy c10 pickup 1968 chevy c10 pickup 1969 chevy c10 pickup 1970 chevy c10 pickup 1971 chevy c10 pickup 1972 chevy c10 pickup 1967 chevy k10 pickup 1968 chevy. Wiring diagrams description these diagrams use a new format. 1955 lighting switch & circuit : Engine wiring harness w/ hei chevy gmc 70 71 72 pickup truck blazer suburban. 1971 chevy 1/2 ton shortwheel base, 250 i6, 2004r, underconstruction 1926 ford t bucket, 250 chevy, t350 tranny. In this video, i show how to replace the ignition switch on a 1968 chevy truck. 67 72 chevy wiring diagram ignition switch and under hood the 1947 1972 starter clic c10 fusebox distibutor with on 1982 truck dash flower for 79 1970 1971 pickup alternator 1958 chevrolet diagrams 4rz 627 fuel gauge camaro color ford technical drawings 80s trucks plymouth duster engine 73 f100 coil 1966. 71 chevy truck wiper wiring diagram wiring diagram third level. 11 24 10 0259 pm post 2009038 i need a wiring diagram for a 71 c10 chevy pickup. Right here are some of the leading illustrations we obtain from various sources we hope these photos will certainly serve to you and also.

Iklan Atas Artikel

Iklan Tengah Artikel 1

Iklan Tengah Artikel 2

Iklan Bawah Artikel