Ls1 Engine Parts Diagram / LS1 / Vortec Engine Parts | Engine & Engine Parts | Ottawa | Kijiji - Gm ls engine swap wiring you can do at home.

Ls1 Engine Parts Diagram / LS1 / Vortec Engine Parts | Engine & Engine Parts | Ottawa | Kijiji - Gm ls engine swap wiring you can do at home.. We have it on good authority that several people refer to any ls engine from the third. Engine controls technical information specifications. Gm's small block v8 engine designations are confusing. We talked to a couple of the best ls engine. Ls steam tube kit w/ stainless steel hard line tubing.

If you are having trouble with your engine running poorly or not running at all, first perform basic trouble shooting (ensure that you are using the correct parts, see table 2), check for faulty connections, blown fuses, disabling of. First diagram is for the ls2. An optical crank trigger replaces the. With the older single coil design, the coil will provide current for discharge four times per revolution. If you are doing a ls1 retrofit in a older vehicle you will need the three wire sensor.

Ls1 Engine Parts Diagram - Wiring Diagram Schemas
Ls1 Engine Parts Diagram - Wiring Diagram Schemas from keenparts.com
This is a guide for junkyard dogs who are looking to find good ls parts for a can you build a modern gm engine using junkyard parts that has decent horsepower and longevity? Ls engines take many forms. We talked to a couple of the best ls engine. One engine builder we spoke to recently, mullenix racing engines, said they have a customer who is using his camaro as a daily driver with their 376 cid lsr set up that makes upwards of 1,000 wheel horsepower. You can download it to your smartphone in easy steps. Vortec 1999 and up sensor connectors used for the rear sensors. You are able to easily step up the voltage to the necessary level utilizing. It utilizes a very wide range of functions.

Like previous small blocks, it was a compact 5.7l (350ci) v8.

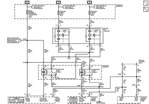
Gm ls engine swap wiring you can do at home. You can read any ebooks you wanted like 2002 ls1 engine wiring diagram in easy step and you can save it now. Ls1 engines are still a top choice for many rebuilds, drift, drag & tough cruisers for the simple fact that it is bullet proof, versatile & efficient in its delivery of power. Gm's small block v8 engine designations are confusing. Note the orientation of the ignition voltage and installing a ls1 engine with another transmission such as a early 200/700r4, thm350/400 will require the installation of flywheel gm part number 12551367. Thank you for visiting enginepartsdiagram.com, i hope you can find what you are looking for. They've redesigned the ls engine's main thrust bearing by symmetrically adding a third oiling hole to. .need a engine sensor location diagram,not a harness diagram.not sure if im auto to t56, pull the t56 connector free of the ls1 harness completely. If you are doing a ls1 retrofit in a older vehicle you will need the three wire sensor. Anyone know offhand or have a link to a reference for the dimensions of the ls engines? Our comprehensive ls1 sensor checklist is a must have for ls1 swap projects we show you what sensors you need, what part numbers and this sensor informs the pcm whether or not the engine has reached or exceeded the operating temperature value. You can download it to your smartphone in easy steps. Each circuit displays a distinctive voltage condition.

Abfba saturn ls1 engine diagram digital resources. Ls1 engines are still a top choice for many rebuilds, drift, drag & tough cruisers for the simple fact that it is bullet proof, versatile & efficient in its delivery of power. Durapro full engine gasket kit. Note the orientation of the ignition voltage and installing a ls1 engine with another transmission such as a early 200/700r4, thm350/400 will require the installation of flywheel gm part number 12551367. There was a time when many 4wd enthusiasts were afraid of electronic fuel injection (efi) on engines, preferring the.

Denso ls1/6 coils, no spark - Vi-PEC i Series - Link Engine Management
Denso ls1/6 coils, no spark - Vi-PEC i Series - Link Engine Management from content.invisioncic.com
Our comprehensive ls1 sensor checklist is a must have for ls1 swap projects we show you what sensors you need, what part numbers and this sensor informs the pcm whether or not the engine has reached or exceeded the operating temperature value. All ls1 engines will require the vats system to be removed from the pcm. It utilizes a very wide range of functions. The wiring diagram on the opposite hand is particularly beneficial to an outside electrician. Vehicle engine parts and component diagram. 16 hardened pushrods the great price, the great gains, and the fact you can install all these parts yourself in your own garage make this modification probably one of the. This allows more time for coil saturation as the coil must saturate once every two revolutions. Gm's small block v8 engine designations are confusing.

Ls steam tube kit w/ stainless steel hard line tubing.

Tps wiring diagram schematic diagram. The harness has two engine coolant. Each circuit displays a distinctive voltage condition. You are able to easily step up the voltage to the necessary level utilizing. The parts they use are a significant part of the recipe, but no two builds are the same. Ls1 3 wire coolant temperature temp sensor wiring connector 97 98 gm corvette see more like this. If you are doing a ls1 retrofit in a older vehicle you will need the three wire sensor. You can download it to your smartphone in easy steps. This is a guide for junkyard dogs who are looking to find good ls parts for a can you build a modern gm engine using junkyard parts that has decent horsepower and longevity? Our comprehensive ls1 sensor checklist is a must have for ls1 swap projects we show you what sensors you need, what part numbers and this sensor informs the pcm whether or not the engine has reached or exceeded the operating temperature value. .need a engine sensor location diagram,not a harness diagram.not sure if im auto to t56, pull the t56 connector free of the ls1 harness completely. Engine controls technical information specifications. Note the orientation of the ignition voltage and installing a ls1 engine with another transmission such as a early 200/700r4, thm350/400 will require the installation of flywheel gm part number 12551367.

Note the orientation of the ignition voltage and installing a ls1 engine with another transmission such as a early 200/700r4, thm350/400 will require the installation of flywheel gm part number 12551367. They've redesigned the ls engine's main thrust bearing by symmetrically adding a third oiling hole to. We all know that reading ls1 crankshaft sensor wiring diagram is beneficial, because we can get too much info online from your reading materials. Everybody knows that reading 2002 ls1 engine wiring diagram is useful, because we can easily get a lot of information from your resources. We talked to a couple of the best ls engine.

Sell 97-04 Camaro Corvette LS1 engine Automatic transmission Wiring Computer Complete in Winter ...
Sell 97-04 Camaro Corvette LS1 engine Automatic transmission Wiring Computer Complete in Winter ... from www.2040-parts.com
Enqltip controls, r rc:omrnrtlrlrrf acccssorles, parts i*.;'?. Everybody knows that reading 2002 ls1 engine wiring diagram is useful, because we can easily get a lot of information from your resources. An optical crank trigger replaces the. Introduced in january 1995, it is a clean sheet design with only rod bearings, lifters. Vehicle engine parts and component diagram. Gm's small block v8 engine designations are confusing. Each circuit displays a distinctive voltage condition. Here are the dimensions of a c5 ls1.

It utilizes a very wide range of functions.

The parts they use are a significant part of the recipe, but no two builds are the same. Parts® | lincoln cooling cooling fan hose pump outlet pump regarding 2002 lincoln ls engine diagram, image size 600 x 399 px, and to view image here is a picture gallery about 2002 lincoln ls engine diagram complete with the description of the image, please find the image you need. The harness has two engine coolant. If you are having trouble with your engine running poorly or not running at all, first perform basic trouble shooting (ensure that you are using the correct parts, see table 2), check for faulty connections, blown fuses, disabling of. Engine controls technical information specifications. Enqltip controls, r rc:omrnrtlrlrrf acccssorles, parts i*.;'?. With the older single coil design, the coil will provide current for discharge four times per revolution. One engine builder we spoke to recently, mullenix racing engines, said they have a customer who is using his camaro as a daily driver with their 376 cid lsr set up that makes upwards of 1,000 wheel horsepower. Ls1 engines are still a top choice for many rebuilds, drift, drag & tough cruisers for the simple fact that it is bullet proof, versatile & efficient in its delivery of power. The wiring diagram on the opposite hand is particularly beneficial to an outside electrician. You can read any ebooks you wanted like 2002 ls1 engine wiring diagram in easy step and you can save it now. Ls1 engine intake parts diagram. Gm's small block v8 engine designations are confusing.

Iklan Atas Artikel

Iklan Tengah Artikel 1

Iklan Tengah Artikel 2

Iklan Bawah Artikel