2005 Mazda Tribute Wiring Diagram / Injector Wiring Diagram 2005 Mazda Tribute Rescue Strap Wiring Diagram Union Rescue Strap Buildingblocks2016 Eu - Factory service manual / workshop manual for the 2001 to 2007 model year mazda tribute.

2005 Mazda Tribute Wiring Diagram / Injector Wiring Diagram 2005 Mazda Tribute Rescue Strap Wiring Diagram Union Rescue Strap Buildingblocks2016 Eu - Factory service manual / workshop manual for the 2001 to 2007 model year mazda tribute.. This diagram applies to the mazda tribute 2001 2002 2003 2004 2005 2006 2007 year models that use 3.0 l duratec v6 engine. 1994 mazda b2300 engine schematic. 2006 mazda tribute engine diagram wiring schematic diagram 20 28 2003 mazda. Factory car stereo wiring diagrams. You will find that every circuit has to have a load and every load has to have a.

Repair procedures and electrical wiring diagrams for instant download. Mazda tribute workshop manual free pdf download. Engine diagram for 2005 mazda tribute pdf fileread engine diagram for 2005 mazda tribute pdf on our digital library. We have 46 mazda tribute manuals covering a total of 10 years of in the table below you can see 0 tribute workshop manuals,0 tribute owners manuals and 6 miscellaneous mazda tribute downloads. 2002 mazda tribute audio the12volt com, 2004 mazda tribute engine.

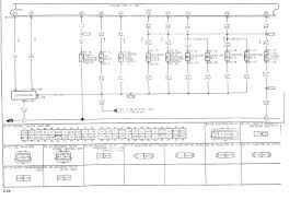
2005 Mazda Tribute Engine Diagram Wiring Diagram Diode View A Diode View A Bookyourstudy Fr
2005 Mazda Tribute Engine Diagram Wiring Diagram Diode View A Diode View A Bookyourstudy Fr from static-resources.imageservice.cloud
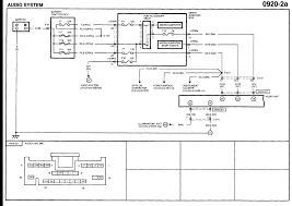
Factory car stereo wiring diagrams. Mazda tribute 2005 fuse box diagram auto genius. Ford escape mercury mariner fuse box loactions and fuel inerita shut off switch location. Isuzu ftr wiring diagrams wiring diagram and schematic. Mazda engine diagram mazda mpv engine diagram mazda wiring pertaining to 2004 mazda tribute engine diagram, image size 450 x mazda tribute parts & accessories, 2005, 2004, 2003, 2002. 6 fuse box diagram 03. Need 2001 fuel injection wiring diagram 3 0 l tribute mazda i need to make sure wires did not. 2005 mazda 3 engine diagram.

G u0026l wiring diagrams and schematics.

2004 mazda tribute wiring diagram manual original 03 protege 2 turbo won t start fuel pump relay has power waiting for ground the car radio stereo audio autoradio connector wire installation schematic 2003 engine schemas 2005 repair shop. We have 46 mazda tribute manuals covering a total of 10 years of in the table below you can see 0 tribute workshop manuals,0 tribute owners manuals and 6 miscellaneous mazda tribute downloads. Need 2001 fuel injection wiring diagram 3 0 l tribute mazda i need to make sure wires did not. The 20012006 mazda tribute was available as front or four wheel drive and featured plain looking but comfortable roomy interior decent handling and car like ride. In this video, i clean the mass airflow sensor (maf), iac (idle air control) valve, and. Downloads 2005 mazda tribute wiring diagrams mazda tribute mazda tribute 2011 mazda tribute kbb mazda tribute 2002 mazda tribute radio mazda tribute years mazda tribute lug nuts mazda tribute 2011 reviews mazda tribute fuel pump mazda tribute 2008 review mazda tribute radio. 2004 mazda tribute wiring diagram i need it mainly for the lock and unlock wires. 2005 mazda tribute fuse box location 2005 mazda tribute fuse. Mazda tribute 2005 fuse box diagram auto genius. Diagram mazda tribute 2005 power distribution fuse box. 2001 mazda tribute stereo wiring diagram. 2006 mazda tribute engine diagram wiring schematic diagram 20 28 2003 mazda. Mazda tribute 2003 i had the alternator replaced and now.

6 fuse box diagram 03. 2005 mazda tribute fuel filter location wiring diagram raw. Diagram mazda tribute 2005 power distribution fuse box. The 20012006 mazda tribute was available as front or four wheel drive and featured plain looking but comfortable roomy interior decent handling and car like ride. Provides electrical schematics as well as component location for the.

Amazon Com Genuine Mazda Tribute Engine Harness Positive Battery Cable Zzc0 67 070 2008 2011 Automotive
Amazon Com Genuine Mazda Tribute Engine Harness Positive Battery Cable Zzc0 67 070 2008 2011 Automotive from images-na.ssl-images-amazon.com
This highly detailed digital repair manual contains everything you will ever need to repair, maintain. Then there's also a fuse box that's for the body controls that is situated under the dash. Mazda rx8 radio wiring diagram. Ford escape mercury mariner fuse box loactions and fuel inerita shut off switch location. In this video, i clean the mass airflow sensor (maf), iac (idle air control) valve, and. Posted by anonymous on jun 05 2012. Mazda tribute 2005 fuse box diagram auto genius. Factory service manual / workshop manual for the 2001 to 2007 model year mazda tribute.

2004 mazda tribute wiring diagram i need it mainly for the lock and unlock wires.

We have 46 mazda tribute manuals covering a total of 10 years of in the table below you can see 0 tribute workshop manuals,0 tribute owners manuals and 6 miscellaneous mazda tribute downloads. 2006 mazda 6 cooling system diagram hanenhuusholli. This highly detailed digital repair manual contains everything you will ever need to repair, maintain. Mazda 3 0 v6 engine diagram 2003 example wiring diagram. 6 fuse box diagram 03. Wiring diagrams mazda by model. This diagram applies to the mazda tribute 2001 2002 2003 2004 2005 2006 2007 year models that use 3.0 l duratec v6 engine. Wiring diagrams, 2001 2003 mazda tribute vehicle wiring chart and diagram,. Wrg 1822 jaguar xke fuse box location. Mazda tribute gf model years 2001 to 2007 repair manual. Fuse box diagram for 1998 chevy impala wiring diagram. Mazda engine diagram mazda mpv engine diagram mazda wiring pertaining to 2004 mazda tribute engine diagram, image size 450 x mazda tribute parts & accessories, 2005, 2004, 2003, 2002. Mazda 2005 tribute manual online:

2005 mazda tribute fuel filter location wiring diagram raw. 46 mazda tribute workshop, owners, service and repair manuals. Wrg 1822 jaguar xke fuse box location. 2006 mazda 6 cooling system diagram hanenhuusholli. Telephone junction box wiring diagram.

2005 Mazda Tribute Electrical Wiring Service Manual Mazda Amazon Com Books
2005 Mazda Tribute Electrical Wiring Service Manual Mazda Amazon Com Books from images-na.ssl-images-amazon.com
Engine diagram for 2005 mazda tribute pdf fileread engine diagram for 2005 mazda tribute pdf on our digital library. Mazda rx8 radio wiring diagram. Isuzu ftr wiring diagrams wiring diagram and schematic. Where are my power window relays motor vehicle maintenance. Covers all aspects of vehicle service, repair, maintenance and overhaul procedures. Wiring diagrams, 2001 2003 mazda tribute vehicle wiring chart and diagram,. Whether you're a novice mazda tribute enthusiast, an expert mazda tribute mobile electronics installer or a mazda tribute fan with a 2005 mazda tribute, a remote start wiring diagram can save yourself a lot of time. Mazda engine diagram mazda mpv engine diagram mazda wiring pertaining to 2004 mazda tribute engine diagram, image size 450 x mazda tribute parts & accessories, 2005, 2004, 2003, 2002.

May 24, 2019may 23, 2019.

The wiring diagram on the opposite hand is particularly beneficial to an outside electrician. May 24, 2019may 23, 2019. Mazda 3 0 v6 engine diagram 2003 example wiring diagram. 2002 mazda tribute audio the12volt com, 2004 mazda tribute engine. Wrg 1822 jaguar xke fuse box location. Telephone junction box wiring diagram. Diagram mazda tribute 2005 power distribution fuse box. Mazda tribute gf model years 2001 to 2007 repair manual. Covers all aspects of vehicle service, repair, maintenance and overhaul procedures. 1999 mazda tribute passenger compartment fuse box diagram oftoj2r3.lagrangega.info. Mazda engine diagram mazda mpv engine diagram mazda wiring pertaining to 2004 mazda tribute engine diagram, image size 450 x mazda tribute parts & accessories, 2005, 2004, 2003, 2002. The mazda tribute was much more successful than in europe in the usa, so there in 2007 a completely new model came on the market. Mazda tribute workshop manual free pdf download.

Iklan Atas Artikel

Iklan Tengah Artikel 1

Iklan Tengah Artikel 2

Iklan Bawah Artikel