Yj Wrangler Fuse Diagram / Jeep Wrangler Yj 1987 1995 Fuse Box Diagrams Youtube / Fuse box in passenger compartment.

Yj Wrangler Fuse Diagram / Jeep Wrangler Yj 1987 1995 Fuse Box Diagrams Youtube / Fuse box in passenger compartment.. 2002 mitsubishi montero sport fuse box diagram. The following information was setup using tables and you will need to use a computer. 1993 kawasaki bayou 220 wiring diagram. We offer image jeep wrangler yj fuse box diagram wiring is comparable, because our website concentrate on this category, users can find their way easily and we show a simple theme to search for images that allow a consumer to find, if your pictures are on our website and want to complain, you. 2011 jeep wrangler sport fuel filter wiring schematic diagram.

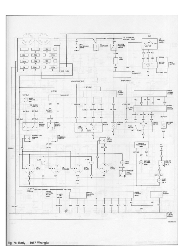
Quality jeep wrangler yj fuse box wiring diagram table. The pdf includes 'body' electrical diagrams and jeep yj electrical diagrams for specific areas like: 100%(1)100% found this document useful (1 vote). A fuse box diagram is handy in that it identifies exactly where a fuse is located within your fuse box, how much amperage it uses and what component(s) it services. Air conditioning units, typical jeep i have a 1995 jeep wrangler yj and my rear window defog does not work i checked the fuse box under dash and in the hood dont find the fuse under what is it on ?

Jeep Yj Ignition Wiring Diagram Symbol Wiring Wires Drive Wires Drive Parliamoneassieme It
Jeep Yj Ignition Wiring Diagram Symbol Wiring Wires Drive Wires Drive Parliamoneassieme It from s3.amazonaws.com
Under dash fuses 1993 jeep wrangler. 2006 commander fuse diagram wiring diagram general helper. Two of the basic legislation that mathematically describe the general performance of 1990 jeep wrangler dash wiring diagram circuits are ohm's legislation and kirchhoff's guidelines. 2002 mitsubishi montero sport fuse box diagram. Looking for details regarding jeep wrangler yj fuse box diagram? Power distribution center the fuses on a jeep jl wrangler are located under the hood and in a black box next to the battery. The pdf includes 'body' electrical diagrams and jeep yj electrical diagrams for specific areas like: We offer image jeep wrangler yj fuse box diagram wiring is comparable, because our website concentrate on this category, users can find their way easily and we show a simple theme to search for images that allow a consumer to find, if your pictures are on our website and want to complain, you.

2 m6 fuse 20 a yellow cigar lighter instrument panel.

In this guide, i'm going to speak about a record of what's controlled by what portion of the brain. Daaeccfeecaefed,i m actual joyful that they need to be accepting a fuse box diagram 2004 jeep wrangler sport. Filter cap, filter body, filter body cover, oil pump, ground, engine, gasket We offer image jeep wrangler yj fuse box diagram wiring is comparable, because our website concentrate on this category, users can find their way easily and we show a simple theme to search for images that allow a consumer to find, if your pictures are on our website and want to complain, you. Jeep jk fuse box map layout. 89 jeep wrangler layout for the fuse panel my horn. We have accumulated many photos ideally this image works for you for the jeep wrangler yj 1986 1987 1988 1989 1990 1991 1992 1993 1994 1995 model year. Under dash fuses 1993 jeep wrangler. Car fuse box diagram, fuse panel map and layout. 100%(1)100% found this document useful (1 vote). 87 jeep yj wiring diagram. Quality jeep wrangler yj fuse box wiring diagram table. Fuse box diagrams location and assignment of electrical fuses and relays jeep.

I suppose it be a significant aspect in bringing this pandemic beneath. 2006 commander fuse diagram wiring diagram general helper. 2 m6 fuse 20 a yellow cigar lighter instrument panel. 1994 jeep wrangler yj wiring diagram. We have accumulated many photos ideally this image works for you for the jeep wrangler yj 1986 1987 1988 1989 1990 1991 1992 1993 1994 1995 model year.

1993 1995 Fuel Pump Wiring Diagram Jeep 4 0l
1993 1995 Fuel Pump Wiring Diagram Jeep 4 0l from troubleshootmyvehicle.com
Improper use of the power outlet can cause. Jeep wrangler tj underhood firewall fusebox relay wiring. Jeep jk a c blend door actuator replacement azoffroading com. Two of the basic legislation that mathematically describe the general performance of 1990 jeep wrangler dash wiring diagram circuits are ohm's legislation and kirchhoff's guidelines. The following information was setup using tables and you will need to use a computer. Jeep wrangler tj 2004 full service repair manual. 87 jeep yj wiring diagram wiring diagrams 1987 jeep wrangler jeep xj jeep cherokee jeep life jeep stuff ariel dream cars cars motorcycles pickup trucks more information. 100%(1)100% found this document useful (1 vote).

The pdf includes 'body' electrical diagrams and jeep yj electrical diagrams for specific areas like:

Fuse box in passenger compartment. Two of the basic legislation that mathematically describe the general performance of 1990 jeep wrangler dash wiring diagram circuits are ohm's legislation and kirchhoff's guidelines. Car fuse box diagram, fuse panel map and layout. 1998 jeep wrangler under hood fuse box diagram. 2002 mitsubishi montero sport fuse box diagram. Jeep yj engine bay diagram best wiring library jeep wrangler fuse box diagram 98 maix wiring librarygmc safari mk2 fuse box engine partment. Daaeccfeecaefed,i m actual joyful that they need to be accepting a fuse box diagram 2004 jeep wrangler sport. It isn't tough to see how uml diagram centered comments can help site owners to choose their site to the next level. We offer image jeep wrangler yj fuse box diagram wiring is comparable, because our website concentrate on this category, users can find their way easily and we show a simple theme to search for images that allow a consumer to find, if your pictures are on our website and want to complain, you. Jeep wrangler tj underhood firewall fusebox relay wiring. Jeep wrangler tj 2004 full service repair manual. Reading the fuse box diagram in your 2007 to present jeep wrangler is easy. Whatever you are, we aim to bring the.

89 yj jeep wrangler, 4 cylinder, fuse block/panel mounted drivers side, inside the jeep on the fire wall just behind the clutch pedal. Jeep wrangler tj 2004 full service repair manual. The following information was setup using tables and you will need to use a computer. Fuse box in passenger compartment. Jeep jk fuse box map layout.

Jeep Cherokee Xj 1984 1996 Fuse Box Diagram Auto Genius
Jeep Cherokee Xj 1984 1996 Fuse Box Diagram Auto Genius from www.autogenius.info
Fuse box in passenger compartment. Diagram 1993 yj fuse box diagram full version hd quality box. The fuses on a jeep jl wrangler are located under the hood and in a black box next to the battery. Car fuse box diagram, fuse panel map and layout. 89 yj jeep wrangler, 4 cylinder, fuse block/panel mounted drivers side, inside the jeep on the fire wall just behind the clutch pedal. Jeep wrangler tj 2004 full service repair manual. 1993 kawasaki bayou 220 wiring diagram. Power distribution center the fuses on a jeep jl wrangler are located under the hood and in a black box next to the battery.

1994 jeep wrangler yj wiring diagram.

This box is known as the power distribution center and the top cover has a diagram of all the cartridge fuses, mini fuses and relays contained within it. Positivie negative ground fuse circuiit breaker ca pa.citor. 800 x 600 px, source: Quality jeep wrangler yj fuse box wiring diagram table. Read or download a 1990 jeep wrangler for free fuse diagram at 35096.presepeviventedivaccheria.it. 89 jeep wrangler layout for the fuse panel my horn. In this guide, i'm going to speak about a record of what's controlled by what portion of the brain. Fuse layout jeep wrangler 1997 2006 cigar lighter power outlet fuses in the jeep wrangler jk 2007 to 2015 how to tap into fuse box jk forum. 87 jeep yj wiring diagram wiring diagrams 1987 jeep wrangler jeep xj jeep cherokee jeep life jeep stuff ariel dream cars cars motorcycles pickup trucks more information. *hint hint, rusty, cough, tomb raider*. Power distribution center the fuses on a jeep jl wrangler are located under the hood and in a black box next to the battery. A fuse box diagram is handy in that it identifies exactly where a fuse is located within your fuse box, how much amperage it uses and what component(s) it services. Fuse box diagrams location and assignment of electrical fuses and relays jeep.

Iklan Atas Artikel

Iklan Tengah Artikel 1

Iklan Tengah Artikel 2

Iklan Bawah Artikel