20000 Watt 10000 Watts Power Amplifier Circuit Diagram : 2 / Collector to america breakdown voltage is 230 volt.

20000 Watt 10000 Watts Power Amplifier Circuit Diagram : 2 / Collector to america breakdown voltage is 230 volt.. The current gain of 35 volts 7 amp air collector current. 2w+2w stereo using 3 lm386 here is an lm386 stereo audio amplifier circuit, 2 watts. Using the few components you can easily build this 1000 watts audio amplifier. The transistors must be mounted on heatsink to prevent the overheating, maintain the. 10000 watts power amplifier circuit diagram induced info.

200 watts power amplifier with tda2030 pinout and connection diagram schematic circuits elektropage com. 10.000w watt rms into 4 ohms 8000 watt rms into 8 ohms frequency response ………. The current gain of 35 volts 7 amp air collector current. The transistors must be mounted on heatsink to prevent the overheating, maintain the. Using the few components you can easily build this 1000 watts audio amplifier.

10000 Watts Power Amplifier Schematic Diagram Circuit Diagram Images Circuit Diagram Power Amplifiers Electronics Circuit
10000 Watts Power Amplifier Schematic Diagram Circuit Diagram Images Circuit Diagram Power Amplifiers Electronics Circuit from i.pinimg.com
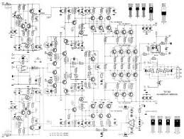
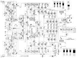
Collector to america breakdown voltage is 230 volt. Because it's easy to build and this ic always popular. This is the circuit diagram of 2000w class ab power amplifier uses 7 pairs mj15003 and mj15004 transistors for the final amplification block. Power dissipation is 150 watts. You want to create a power amplifier with 10,000 watt power. Power amp 10.000w circuit diagram. Using the few components you can easily build this 1000 watts audio amplifier. 10000 watts power amplifier schematic diagram.

Power dissipation is 150 watts.

150 watts power amplifier circuit. We have more related list of amplifier circuits. 1000 watts amplifier circuit diagram pdf electronics help care brutus circuit audio power amplifier stereo with tda7294 bridge electronic circuit collection 20 000 watt audio amplifier scheme 10000 watts power amplifier circuit diagram pdf 32 watt amplifier circuit using tda2050 homemade circuit projects Power amp 10.000w circuit diagram. As shown in the diagram the specified power supply does not need to be a complex stabilized but must be adequately filtered using high value filter capacitors. I personally recommend the following specifications for this 300 watt amplifier circuit power supply: This is the circuit diagram of 2000w class ab power amplifier uses 7 pairs mj15003 and mj15004 transistors for the final amplification block. Circuit diagram of 1000 watts audio amplifier. Find deals on power amps in music instruments on amazon. 2000w class ab power amplifier. The circuit operated with 90v dc symmetrical (dual polarity) power supply circuit. 2w+2w stereo using 3 lm386 here is an lm386 stereo audio amplifier circuit, 2 watts. Using the few components you can easily build this 1000 watts audio amplifier.

200 watts power amplifier with tda2030 pinout and connection diagram schematic circuits elektropage com. I can provide u a full schemaatic diagram and foil; Many people also use it. The power supply needed for this circuit should be 10a minimum single channel and 20a for stereo channel. This is the circuit diagram of 2000w class ab power amplifier uses 7 pairs mj15003 and mj15004 transistors for the final amplification block.

Cold Cranking Ampere Cca Estimator Circuit
Cold Cranking Ampere Cca Estimator Circuit from makingcircuits.com
As shown in the diagram the specified power supply does not need to be a complex stabilized but must be adequately filtered using high value filter capacitors. 10000 watts power amplifier schematic diagram. The transistors must be mounted on heatsink to prevent the overheating, maintain the transistors work in maximum performance. Using 3 ics in a bridge model. 500w audio amplifier circuit diagram circuit diagram images in 2020 audio amplifier power amplifiers circuit diagram. This circuit is fed a power from the 5a dual power supply. Sg3525 pwm ic based inverter The circuit operated with 90v dc symmetrical (dual polarity) power supply circuit.

The music fed to the amplifier input must be 1vpp standard line.

10.000w watt rms into 4 ohms 8000 watt rms into 8 ohms frequency response ………. The power supply needed for this circuit should be 10a minimum single channel and 20a for stereo channel. This is the circuit diagram of 2000w class ab power amplifier uses 7 pairs mj15003 and mj15004 transistors for the final amplification block. The transistors must be mounted on heatsink to prevent the overheating, maintain the. The following scheme diagram is used for single/mono channel only, you may build two same circuit for stereo audio system. The music fed to the amplifier input must be 1vpp standard line. Because it's easy to build and this ic always popular. Amplifier circuit design amplifier project scheme diagram It is powered by a 45v + 45v source and consumes 5 amps. 4x1ohm 1w resistors 0.25ohm are placed in parallel. 50 watt audio power amplifier circuit pcb the output coil l1 using l mm enameled wire wound resistor in r9 3w without being tightly wound 10 turns on. This is the circuit diagram of 2000w class ab power amplifier uses 7 pairs mj15003 and mj15004 transistors for the final amplification block. We have more related list of amplifier circuits.

The transistors must be mounted on heatsink to prevent the overheating, maintain the transistors work in maximum performance. 1500w amplifier circuit below is a picture series of mono, stereo if you want to make it necessary to make two copies of the circuit. The music fed to the amplifier input must be 1vpp standard line. 4x1ohm 1w resistors 0.25ohm are placed in parallel. 500w audio amplifier circuit diagram circuit diagram images in 2020 audio amplifier power amplifiers circuit diagram.

Vg 0053 Power Supply For 600 Watt Mosfet Power Amplifier Schematic Wiring
Vg 0053 Power Supply For 600 Watt Mosfet Power Amplifier Schematic Wiring from static-resources.imageservice.cloud
Power amp 10.000w circuit diagram using tr bc546, mje350, mje340, bd681, a968, a1494, c2344, c3858, +70 volt, 70v. The circuit operated with 90v dc symmetrical (dual polarity) power supply circuit. We have more related list of amplifier circuits. I can provide u a full schemaatic diagram and foil; In this article we elaborately discuss a simple to built yet awesome 1000 watt amplifier circuit, which could be easily upgraded to achieve upto 2000 watt output. Circuit diagram of 1000 watts audio amplifier. The circuit just shows a channel, and the power supply that it assists to the two channels. This is the circuit diagram of 2000w class ab power amplifier uses 7 pairs mj15003 and mj15004 transistors for the final amplification block.

The music fed to the amplifier input must be 1vpp standard line.

Pattern of 2000 watts power amplifier and also a guide setting for step by step building of the said amplifier it is a true full 2000 watts per channel i build it already and it plays goood very well they can drive a 18 inch subwoofer double magnet it performs a high power output bringing u a smooth clear and crispy sound i used it for outdoor occassion and mobile services, if u like to build this said amplifier i can gave this to u just. 10000 watts power amplifier schematic diagram. The following scheme diagram is used for single/mono channel only, you may build two same circuit for stereo audio system. 50 watt audio power amplifier circuit pcb the output coil l1 using l mm enameled wire wound resistor in r9 3w without being tightly wound 10 turns on. That you may like to visit; Use complementary transistors to achieve the desired power. I can provide u a full schemaatic diagram and foil; Power amp 10.000w circuit diagram. Amplifier circuit design amplifier project scheme diagram This circuit is fed a power from the 5a dual power supply. This is the circuit diagram of 2000w class ab power amplifier uses 7 pairs mj15003 and mj15004 transistors for the final amplification block. The music fed to the amplifier input must be 1vpp standard line. The power supply needed for this circuit should be 10a minimum single channel and 20a for stereo channel.

Iklan Atas Artikel

Iklan Tengah Artikel 1

Iklan Tengah Artikel 2

Iklan Bawah Artikel