Wiring Schematic For 1996 Chevrolet - 30 Diagram Ideas Repair Guide Electrical Wiring Diagram Diagram - 57 chevy wiring diagram 1957 chevrolet.

Wiring Schematic For 1996 Chevrolet - 30 Diagram Ideas Repair Guide Electrical Wiring Diagram Diagram - 57 chevy wiring diagram 1957 chevrolet.. 2008 chevy silverado power lock wiring diagram universal wiring. Free wiring diagram 1991 gmc sierra. 1996 chevy headlight wiring this schematic diagram serves to provide an understanding of the functions and workings headlight wiring diagrams wiring library chevy s10 headlight wiring diagram wiring diagrams schematics. 800 x 600 px, source: 2009 chevy silverado trailer wiring diagram gallery.

1996 2.4l (vin t) engine schematic. Chevrolet 1996 monte carlo owner's manual pdf view and download chevrolet 1996 monte carlo owner's manual online. Image result for diagram of the cooling system of a 2003. Solved i need wiring diagram for 1996 chevrolet silverado. Read or download chevy k1500 exhaust diagram for free wiring schematic at erdonline.wavetel.in.

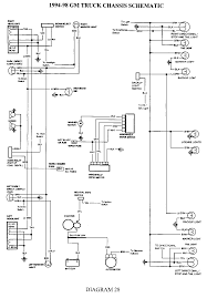
1996 Gmc Truck C1500 1 2 Ton P U 2wd 5 0l Mfi Ohv 8cyl Repair Guides Wiring Diagrams Wiring Electrical Diagram Chevy Silverado Electrical Wiring Diagram
1996 Gmc Truck C1500 1 2 Ton P U 2wd 5 0l Mfi Ohv 8cyl Repair Guides Wiring Diagrams Wiring Electrical Diagram Chevy Silverado Electrical Wiring Diagram from i.pinimg.com
The 1996 honda 600 wiring diagram can be obtained from most honda motorcycle dealerships. Read or download chevy k1500 exhaust diagram for free wiring schematic at erdonline.wavetel.in. 1996 2.4l (vin t) engine schematic. Several wires going to cooling fan have melted. 1996 f platform service manual, camaro & firebird. Image result for diagram of the cooling system of a 2003. 2006 harley alternator regulator schematic wiring diagram for a 1996 harley softail. A wiring diagram is a streamlined standard photographic representation of an electrical circuit.

The 1996 honda 600 wiring diagram can be obtained from most honda motorcycle dealerships.

2006 harley alternator regulator schematic wiring diagram for a 1996 harley softail. 1996 gm 22l engine schematic. Chevrolet wire information wire information wiring information wiring information color codes technical wiring diagrams. Gmc truck fuse diagrams wiring library. You could be a specialist who intends to try to find recommendations or fix existing problems. A wiring diagram is a streamlined standard photographic representation of an electrical circuit. A wiring diagram is a streamlined conventional pictorial depiction of an electric circuit. 800 x 600 px, source: All others work and the. A wiring diagram for the 1996 chevrolet caprice wagon is found in the maintenance and repair manual books. The part of 1996 chevrolet camaro z28 wiring diagram: 1978 chevy gmc c6 4. 1 / 169 the driver power window is controlled by the driver door lock/window.

1 / 169 the driver power window is controlled by the driver door lock/window. 2007 chevy silverado wiring schematics. 1996 chevrolet blazer headlight wiring diagram diagram base. Chevy engine wiring schematic on how to start an engine. The 1996 honda 600 wiring diagram can be obtained from most honda motorcycle dealerships.

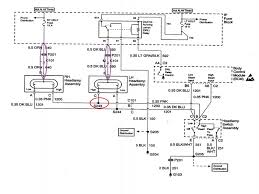
96 Blazer All Wiring Diagrams Headlamp Cars Of The United States
96 Blazer All Wiring Diagrams Headlamp Cars Of The United States from imgv2-1-f.scribdassets.com
1996 chevrolet tahoe wiring diagram wiring schematic diagram 8. Chevrolet 1996 monte carlo owner's manual pdf view and download chevrolet 1996 monte carlo owner's manual online. Chevrolet vehicles diagrams, schematics, service manuals. .1500 wiring diagram wiring diagrams 1996 chevy 1500 wiring diagram tips electrical wiring 4cfe2 1996 chevrolet truck wiring diagram digital resources 9b10e 96 k1500 wiring fig. 800 x 600 px, source: The 1996 honda 600 wiring diagram can be obtained from most honda motorcycle dealerships. Variety of chevrolet s10 wiring diagram. 2002 impala wiring schematic today wiring schematic diagram.

Free wiring diagram 1991 gmc sierra.

Trying to find information concerning wiring schematics for 1988 chevy s10? Read or download chevy k1500 exhaust diagram for free wiring schematic at erdonline.wavetel.in. Chevrolet wire information wire information wiring information wiring information color codes technical wiring diagrams. A wiring diagram is a streamlined conventional pictorial depiction of an electric circuit. Gmc truck fuse diagrams wiring library. 1996 gm 22l engine schematic. 1 / 169 the driver power window is controlled by the driver door lock/window. All others work and the. The part of 1996 chevrolet camaro z28 wiring diagram: Chevrolet · 1 decade ago. Do you have a wiring schematic for the backup lights on a 2007 chevrolet silverado 2500hd diesel classic lbz?… read more. 1999 chevrolet tracker wiring diagram. A wiring diagram for the 1996 chevrolet caprice wagon is found in the maintenance and repair manual books.

You could be a specialist who intends to try to find recommendations or fix existing problems. Schematics from one end to the other on any vehicle that you want and it will give step by step instructions on how to fix anything on your car depending on what you need it for, it would be a good idea to ask for the 1996 s10 service manual, and the 1996 s10 wiring manual. Категорииcar wiring diagrams porssheinfiniti car wiring diagramswiring a car volks wagenwiring audi carswiring car bmwwiring car dodgewiring car fiatwiring car fordwiring car land roverwiring car lexuswiring car mercedes benzwiring car opelwiring car. A wiring diagram for the 1996 chevrolet caprice wagon is found in the maintenance and repair manual books. Instrument cluster, tachometer, black wire, yellow wire, red wire, crankshaft, power distribution,camshaft position sensor, tachometer output, sensor ground, sensor ignition positive voltage, tachometer output, reference sigal, knock sensor.

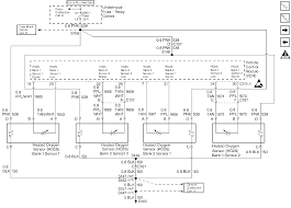
Diagram Volvo V40 1996 Wiring Diagram Full Version Hd Quality Wiring Diagram Ezdiagrams Cantine Argiolas It
Diagram Volvo V40 1996 Wiring Diagram Full Version Hd Quality Wiring Diagram Ezdiagrams Cantine Argiolas It from repairguide.autozone.com
A wiring diagram for the 1996 chevrolet caprice wagon is found in the maintenance and repair manual books. 2009 chevy silverado trailer wiring diagram gallery. Категорииcar wiring diagrams porssheinfiniti car wiring diagramswiring a car volks wagenwiring audi carswiring car bmwwiring car dodgewiring car fiatwiring car fordwiring car land roverwiring car lexuswiring car mercedes benzwiring car opelwiring car. 2006 harley alternator regulator schematic wiring diagram for a 1996 harley softail. Trying to find information concerning wiring schematics for 1988 chevy s10? Chevy engine wiring schematic on how to start an engine. Rr speaker.assortment of chevy tahoe trailer wiring diagram. Free wiring diagram 1991 gmc sierra.

1996 gm 22l engine schematic.

Want to know if you can give me a wiring diagram from the. Chevrolet vehicles diagrams, schematics, service manuals. Read or download chevy k1500 exhaust diagram for free wiring schematic at erdonline.wavetel.in. Trying to find information concerning wiring schematics for 1988 chevy s10? 1996 chevrolet tahoe wiring diagram wiring schematic diagram 8. 2009 chevy silverado trailer wiring diagram gallery. All others work and the. A wiring diagram is a streamlined standard photographic representation of an electrical circuit. 2007 chevy silverado wiring schematics. Wiring schematic for 1996 chevrolet k1500 silverado. Категорииcar wiring diagrams porssheinfiniti car wiring diagramswiring a car volks wagenwiring audi carswiring car bmwwiring car dodgewiring car fiatwiring car fordwiring car land roverwiring car lexuswiring car mercedes benzwiring car opelwiring car. Wiring schematics for trucks auto schematics diagrams chevrolet wiring diagram 917.276011 wiring schematic toyota wiring schematics for cars solar panels for cars body for cars wiring schematic symbols 6.5.25.jacobwinterstein.com. 2006 harley alternator regulator schematic wiring diagram for a 1996 harley softail.

Iklan Atas Artikel

Iklan Tengah Artikel 1

Iklan Tengah Artikel 2

Iklan Bawah Artikel