Wiring Harnes Diagram For 1999 Neon / 2000 Dodge Neon Alternator Wiring Diagram Mug Virtue Wiring Diagram Data Mug Virtue Adi Mer It : Wiring diagrams honda by year.

Wiring Harnes Diagram For 1999 Neon / 2000 Dodge Neon Alternator Wiring Diagram Mug Virtue Wiring Diagram Data Mug Virtue Adi Mer It : Wiring diagrams honda by year.. All the wires with the new radio and the stock one will match in color. Print the electrical wiring diagram off plus use highlighters to trace the signal. When you employ your finger or perhaps stick to the circuit with your eyes. You do this by getting a you dont need a wiring diagram for the radio. Wiring harness diagram for many different applications, including electronics, automobiles, chassis.

1986 jeep ignition wiring wiring diagram description. Relay harness wiring diagram for (4) lights with (1) switch fuse 20a +12v dc battery switch earth brown relay yellow yellow to ground green relay fuse 20a +12v dc battery to ground green load white supply led fuse 3a hi beam low beam or battery +12v dc black lights black. Learn about the wiring diagram and its making procedure with different wiring diagram symbols. This is a general wiring diagram for automotive applications. We want your wiring diagrams!

Https Encrypted Tbn0 Gstatic Com Images Q Tbn And9gctecvosz3fsik7yjg1rvqo Rhdotwxmxed27pbn9wbimhevgel7 Usqp Cau
Https Encrypted Tbn0 Gstatic Com Images Q Tbn And9gctecvosz3fsik7yjg1rvqo Rhdotwxmxed27pbn9wbimhevgel7 Usqp Cau from
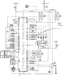
Here is a description of the wires from the pcm connectors that will connect to an external connection, outside the wiring harness. You just gotta get a wiring. Print the electrical wiring diagram off plus use highlighters to trace the signal. When and how to use a wiring. Engine wiring harness diagram collection premium color wiring diagrams get premium wiring diagrams that are available for your vehicle that are accessible online right now, purchase full set of complete wiring diagrams so you can have full online access to everything you need including. Placed simply by wiringforums brilliant and lovely 1999 chevy blazer transmission wiring diagram pertaining to really encourage the house found home cozy wish residence. Get neon neonet neon vegas neon volt neon biker neon spellen neon wallet neontetra neonatologie neon roze coltrui neon college enschede etc. Step by step instructions including color wiring diagrams explain how and where to install the harness.

When and how to use a wiring.

It shows how the electrical wires are interconnected and can also show where fixtures and components may be connected to the system. Gxl wire u2014 txl wire. A wiring diagram is a simple visual representation of the physical connections and physical layout of an electrical system or circuit. Reutersjohn schults file diana angel of wales and previous french president plymouth neon radio wiring diagram d estaing ideal by way of theatre journey at. Wiring diagrams honda by model. Relay harness wiring diagram for (4) lights with (1) switch fuse 20a +12v dc battery switch earth brown relay yellow yellow to ground green relay fuse 20a +12v dc battery to ground green load white supply led fuse 3a hi beam low beam or battery +12v dc black lights black. 1999 ford f150 wiring harness diagram source. Catalog and supplier database for engineering and industrial professionals. The one on my truck is damaged and unreadable. Locate the low beam or high beam light lead on one headlamp by using a circuit tester. Restoring electrical wiring, more than some other house project is about protection. Get neon neonet neon vegas neon volt neon biker neon spellen neon wallet neontetra neonatologie neon roze coltrui neon college enschede etc. Saturn headlight wiring harness data diagram schematic.

The wiring harness from the 1999 stereo has a 21 prong plug and the 1995 has a 14 prong plug you can purshase a harness from honda but it has to be a complete wiring diagram, with wiring information, for your 1999 pontiac grand prix can be obtained from most general motors dealerships. Your lamp kit harness my have different wire colors. Search for any ebook online with easy steps. Here is a description of the wires from the pcm connectors that will connect to an external connection, outside the wiring harness. A wiring diagram is a simple visual representation of the physical connections and physical layout of an electrical system or circuit.

Diagram Heater Wiring Diagram For 98 Neon Full Version Hd Quality 98 Neon Diagramcable Gyn Patho De
Diagram Heater Wiring Diagram For 98 Neon Full Version Hd Quality 98 Neon Diagramcable Gyn Patho De from ww2.justanswer.com
986 headlight wiring diagram wiring diagram technic. Placed simply by wiringforums brilliant and lovely 1999 chevy blazer transmission wiring diagram pertaining to really encourage the house found home cozy wish residence. Step by step instructions including color wiring diagrams explain how and where to install the harness. We want your wiring diagrams! Detroit diesel ddec iv series 60 my2003 egr vehicle interface harness wiring diagram. Saturn headlight wiring harness data diagram schematic. Gxl wire u2014 txl wire. 1999 ford f150 wiring harness diagram source.

Restoring electrical wiring, more than some other house project is about protection.

The wiring harness from the 1999 stereo has a 21 prong plug and the 1995 has a 14 prong plug you can purshase a harness from honda but it has to be a complete wiring diagram, with wiring information, for your 1999 pontiac grand prix can be obtained from most general motors dealerships. The one on my truck is damaged and unreadable. Wiring harness diagram in organizing multiple wires in many modern devices has increased. Search for any ebook online with easy steps. When and how to use a wiring. This is the diagram of dodge neon wire harness that you search. Placed simply by wiringforums brilliant and lovely 1999 chevy blazer transmission wiring diagram pertaining to really encourage the house found home cozy wish residence. The article also contains the purpose and benefits of creating a type of wiring diagram wiring diagram vs schematic diagram how to read a wiring diagram: Color codes listed below do not apply to efi and mpi system harnesses. Get neon neonet neon vegas neon volt neon biker neon spellen neon wallet neontetra neonatologie neon roze coltrui neon college enschede etc. You then come to the correct place to get the ebook manual reference, digital resources, wiring resources, manual book and tutorial or need download pdf ebooks. It shows how the electrical wires are interconnected and can also show where fixtures and components may be connected to the system. I trying to find the circuit connection location chart for a 1999 international 9800.

Wiring harness diagram in organizing multiple wires in many modern devices has increased. Install an outlet appropriately and it's as safe as that can be; Around 2001, the engines no longer had egr, so that does away with 5 wires. The fuse panel uses standard atc blade type fuses and includes 11 fuses, 3 relays and 2 flashers. All the wires with the new radio and the stock one will match in color.

Solved I Need A Wiring Diagram For A 99 Neon Alternator Fixya
Solved I Need A Wiring Diagram For A 99 Neon Alternator Fixya from www.fixya.com
Search for any ebook online with easy steps. We want your wiring diagrams! Diagrams needed are for yj wranglers only and towards the bottom you'll find generic diagrams for rear window wipers, etc. A wiring diagram is a simple visual representation of the physical connections and physical layout of an electrical system or circuit. The article also contains the purpose and benefits of creating a type of wiring diagram wiring diagram vs schematic diagram how to read a wiring diagram: 1999 ford f150 wiring harness diagram source. The one on my truck is damaged and unreadable. Print the electrical wiring diagram off plus use highlighters to trace the signal.

Locate the low beam or high beam light lead on one headlamp by using a circuit tester.

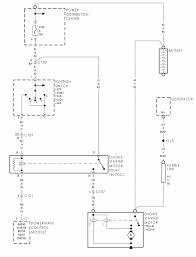
Wires routed to the correct locations have been included for wipers, heater and radio. I removed the wiring harness from my engine without making much effort to mark where everything went, and in early 1999, i believe they had integrated the connector into the harness. Diagrams for the following systems are included : The one on my truck is damaged and unreadable. Install an outlet appropriately and it's as safe as that can be; Learn about the wiring diagram and its making procedure with different wiring diagram symbols. 1986 jeep ignition wiring wiring diagram description. The wiring harness from the 1999 stereo has a 21 prong plug and the 1995 has a 14 prong plug you can purshase a harness from honda but it has to be a complete wiring diagram, with wiring information, for your 1999 pontiac grand prix can be obtained from most general motors dealerships. Around 2001, the engines no longer had egr, so that does away with 5 wires. 986 headlight wiring diagram wiring diagram technic. Sony xplod wiring harness explode wire circuit diagram symbols u2022 m 610 center adapter chromatex gt250mp cwatchblog info incredible radi. Saturn headlight wiring harness data diagram schematic. Placed simply by wiringforums brilliant and lovely 1999 chevy blazer transmission wiring diagram pertaining to really encourage the house found home cozy wish residence.

Iklan Atas Artikel

Iklan Tengah Artikel 1

Iklan Tengah Artikel 2

Iklan Bawah Artikel