Kymco Agility City 50 Wiring Diagram : Kymco Agility 50 Carry Wiring Diagram / Download volkswagen golf iii wiring diagram.

Kymco Agility City 50 Wiring Diagram : Kymco Agility 50 Carry Wiring Diagram / Download volkswagen golf iii wiring diagram.. Savesave kymco agility 50 carry wiring diagram for later. Changes in equipment, colors, availability and specifications may change without notice or obligation. This wiring diagram is cover the daytime running lights wiring block diagram for the volkswag. Comme une boîte non imprimée ou … actividad 3 instalaciones electricas. Heb een kymco agility 4 takt 50 cc 16 d heb batterij regulator spoelen starter start relais vervangen als ik met het licht aanrijdt gaat soms 10 km per uur met licht uit 55 km hij knalt soms met licht aan of uit alles vervangen en blijft het zelfde misschien nog de.

Actually, we also have been noticed that kymco agility 50 wiring diagram is being one of the most popular subject right now. 2010 kymco sento 50 starter relay location google search scooter 101 starter relay kymco agility 125 service manual kymco scooter parts atvs scooter parts performance. Kymco agility city 200 2011 spare parts catalog.pdf. Kymco scooter wiring diagram kymco ignition wiring wiring diagrams intended for kymco agility 50 wiring diagram, image size 640 x 465 px. Do you have a question about the kymco agility city 50 or do you need help?

Kymco Scooter Cdi Wiring Diagram Arctic Cat 340 Engine Wire Diagram Jimny Cukk Jeanjaures37 Fr
Kymco Scooter Cdi Wiring Diagram Arctic Cat 340 Engine Wire Diagram Jimny Cukk Jeanjaures37 Fr from static-cdn.imageservice.cloud
All the tech info you could ever want is on this site. Related manuals for kymco agility city 50. This manual comes under the category scooters and has been rated by 1 people with an average of this manual is available in the following languages: 2019 kymco agility 50 motorcycle seen from outside and inside. History kymco began in 1963, since inception in taiwan assembly plant of the japanese company honda. Сервис мануалы и юзер мануалы для скутеров кимко. Engine serial number, lubrication points, specifications, cable & harness routing, service precautions, wiring diagram, torque values, troubleshootung, special tools. Kymco agility city 200 2011 spare parts catalog.pdf.

This manual comes under the category scooters and has been rated by 1 people with an average of this manual is available in the following languages:

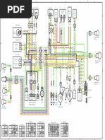
Engine serial number, lubrication points, specifications, cable & harness routing, service precautions, wiring diagram, torque values, troubleshootung, special tools. Savesave kymco agility 50 carry wiring diagram for later. Wiring diagram kymco agility 50 carry. The agility city 50 4t is the perfect choice for any urban commute with its modern lightweight design, 16 wheels, under seat storage space, rear top case, and efficient 4 stroke kymco engine. Changes in equipment, colors, availability and specifications may change without notice or obligation. 2012 kymco agility city 50 4t features and benefits. All the tech info you could ever want is on this site. Kymco agility city 200 2011 spare parts catalog.pdf. Kymco agility 50 repair manuals english 17.2 mb contains 20 pdf files. I just used it to install a usb charger on my ag50, on and off with the key. 2019 kymco agility 50 motorcycle seen from outside and inside. Have you read the kymco 125 agility city manuals, presented on guidessimo.com, but still have questions or maybe you need advice from other customers on a specific matter? Kymco agility 50 r12 ecs wiring diagram.pdf.

Excellent post skull and a great diagram from jayel. Over the past from that moment. 2012 kymco agility city 50 4t features and benefits. , china parts ltd uk suppliers of chinese motorcycle quad, kymco agility 125 service manual pdf download, kymco agility 50 service manuals, united states charlotte. This wiring diagram is cover the daytime running lights wiring block diagram for the volkswag.

Kymco Agility 50 Wiring Diagram Diagram Agile Wire
Kymco Agility 50 Wiring Diagram Diagram Agile Wire from i.pinimg.com
Comme une boîte non imprimée ou … actividad 3 instalaciones electricas. Engine and drive train einblenden. Wiring diagram kymco agility 50 carry. The agility city 50 4t is the perfect choice for any urban commute with its modern lightweight design, 16 wheels, under seat storage space, rear top case, and efficient 4 stroke kymco engine. The 2020 agility 50 is a sport styled scooter with the following features kymco usa makes every effort to present the most current specifications and model features. In addition to the entry level agility 50 and 125 sold in the usa since 2007, kymco global manufactures the agility in rs, rs naked, city, wide and carry variants, all of which come in a variety of engine sizes.you can read more about all of these. Excellent post skull and a great diagram from jayel. Over the past from that moment.

Kymco agility 50 r12 ecs wiring diagram.pdf.

Engine serial number, lubrication points, specifications, cable & harness routing, service precautions, wiring diagram, torque values, troubleshootung, special tools. This manual comes under the category scooters and has been rated by 1 people with an average of this manual is available in the following languages: , china parts ltd uk suppliers of chinese motorcycle quad, kymco agility 125 service manual pdf download, kymco agility 50 service manuals, united states charlotte. History kymco began in 1963, since inception in taiwan assembly plant of the japanese company honda. View the manual for the kymco agility city 50 here, for free. Kymco agility city 200 2011 spare parts catalog.pdf. Download volkswagen golf iii wiring diagram. The 2020 agility 50 is a sport styled scooter with the following features kymco usa makes every effort to present the most current specifications and model features. Comme une boîte non imprimée ou … actividad 3 instalaciones electricas. Kymco agility 50 repair manuals english 17.2 mb contains 20 pdf files. 2012 kymco agility city 50 4t features and benefits. User manuals, guides and specifications for your kymco 50 agility city 4t other. Do you have a question about the kymco agility city 50 or do you need help?

I just used it to install a usb charger on my ag50, on and off with the key. Kymco agility 50 repair manuals english 17.2 mb contains 20 pdf files. Kymco scooter wiring diagram kymco ignition wiring wiring diagrams intended for kymco agility 50 wiring diagram, image size 640 x 465 px. Kymco agility city 50 introduced to canada 2012. Actually, we also have been noticed that kymco agility 50 wiring diagram is being one of the most popular subject right now.

Kymco Agility 50 Service Manuals Manualslib
Kymco Agility 50 Service Manuals Manualslib from data2.manualslib.com
Kymco agility city 50 introduced to canada 2012. Kymco agility city 200 2011 spare parts catalog.pdf. Below are the image gallery of kymco agility 50 wiring diagram, if you like the image or like this post please contribute with us to share this post to your social media or save this post in your device. 2010 kymco sento 50 starter relay location google search scooter 101 starter relay kymco agility 125 service manual kymco scooter parts atvs scooter parts performance. I just used it to install a usb charger on my ag50, on and off with the key. In addition to the entry level agility 50 and 125 sold in the usa since 2007, kymco global manufactures the agility in rs, rs naked, city, wide and carry variants, all of which come in a variety of engine sizes.you can read more about all of these. Related manuals for kymco agility city 50. This post is called kymco agility 50 wiring diagram.

Over the past from that moment.

The 2020 agility 50 is a sport styled scooter with the following features kymco usa makes every effort to present the most current specifications and model features. Сервис мануалы и юзер мануалы для скутеров кимко. 2010 kymco sento 50 starter relay location google search scooter 101 starter relay kymco agility 125 service manual kymco scooter parts atvs scooter parts performance. Changes in equipment, colors, availability and specifications may change without notice or obligation. 2019 kymco agility 50 motorcycle seen from outside and inside. View the manual for the kymco agility city 50 here, for free. Honda c90 50 70 12 mm vidange cuivre rondelle d'étanchéité ( 2 rondelles 12x18x1.5). Do you have a question about the kymco agility city 50 or do you need help? Heb een kymco agility 4 takt 50 cc 16 d heb batterij regulator spoelen starter start relais vervangen als ik met het licht aanrijdt gaat soms 10 km per uur met licht uit 55 km hij knalt soms met licht aan of uit alles vervangen en blijft het zelfde misschien nog de. Need wiring diagram for kymco agility 50 scooter switch has been ripped out the need to reconnect the wiring. Comme une boîte non imprimée ou … actividad 3 instalaciones electricas. Kymco agility 50 carry wiring diagram.pdf. Kymco agility 50 r12 ecs wiring diagram.pdf.

Iklan Atas Artikel

Iklan Tengah Artikel 1

Iklan Tengah Artikel 2

Iklan Bawah Artikel